制冷系统各个器件作用简介
一、虹吸贮液器
热虹吸贮液器与热虹吸油冷却机组配套使用,当无溢流口时可兼作贮液器。
热虹吸油冷却系统一般用于缺水或水质极差的地区及采用蒸发式冷凝器的氨系统中,热虹吸贮液器是利用虹吸原理,将油冷却器内的气液混合制冷剂吸至热虹吸贮液器内分离。热虹吸油冷却是喷油螺杆式制冷压缩机间接冷却润滑油的一种方式,与水冷却润滑油方式不同,它依靠制冷剂的蒸发冷却润滑油,将冷却油的热负荷转移到冷凝器中。该种油冷却方式能很好地控制油温,不存在换热管结垢影响油冷换热的问题,对压缩机的排气量和功耗也无影响;最适合水质较差地区或采用蒸发式冷凝器的制冷系统。
1、技术参数:设计压力:2.0MPa试验压力:液压试验2.5MPa
2、气密性试验:2.0MPa设计温度:50℃
二、紧急泄氨器
制冷系统中,容器(如贮液器、蒸发器等)里存有大量的氨液,为了防止制冷设备在意外事故中发生爆炸,容器的管路应与紧急泄氨器连接。当情况紧急时,可将紧急泄氨器的氨液泄出阀和自来水管进水阀打开,将氨液泄于下水道中。
1、技术参数:
设计压力:2.0MPa
试验压力:气压试验:2.3MPa
设计温度:50℃
三、干燥过滤器
在制冷系统中用来除去系统中循环流动的制冷剂内所含有的水分及固体杂质。
1、技术参数:
设计压力:2.0MPa,2.3MPa
设计温度:60℃
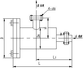
四、氟利昂干燥过滤器外形尺寸图

五、干燥过滤器主要数据表
|
型号 |
公称通径 |
主要尺寸mm |
接管公称通径DN(mm) |
附件规格mm |
质量 |
|||||||
|
|
DN(mm) |
L |
L1 |
H |
D |
D0 |
d0 |
d |
d1 |
螺栓 |
数量 |
kg |
|
GGF25 |
25 |
411 |
286 |
125 |
F140 |
F89 |
14 |
25 |
M12×55 |
|
10 |
|
|
GGF32 |
32 |
552 |
404 |
147 |
F195 |
F133 |
14 |
32 |
M12×65 |
|
17 |
|
|
GGF40 |
40 |
640 |
482 |
180 |
F245 |
F159 |
18 |
40 |
M12×80 |
8组 |
31 |
|
|
GGF50 |
50 |
722 |
559 |
205 |
F290 |
F219 |
18 |
50 |
M12×75 |
|
4 |
|
六、氨液过滤器
在氨制冷系统中设置在节流阀、浮球阀或电磁阀前的液体管路上,用来过滤氨液中的固体杂质,防止阀门阻塞或损坏设备。
1、技术参数:
设计压力:2.0MPa
试验压力:液压试验:2.5MPa气密性试验:2.0MPa
设计温度:50℃ http://www.zhpct.com